添加到电脑桌面
添加到电脑桌面,以后点击桌面图标一键打开,无需搜索,非常快捷!
立即添加
普通会员
限时优惠
登录
首页
文档列表
专题
标签云
意见反馈
文库
系统集成
施工组织设计
通风与空调工程
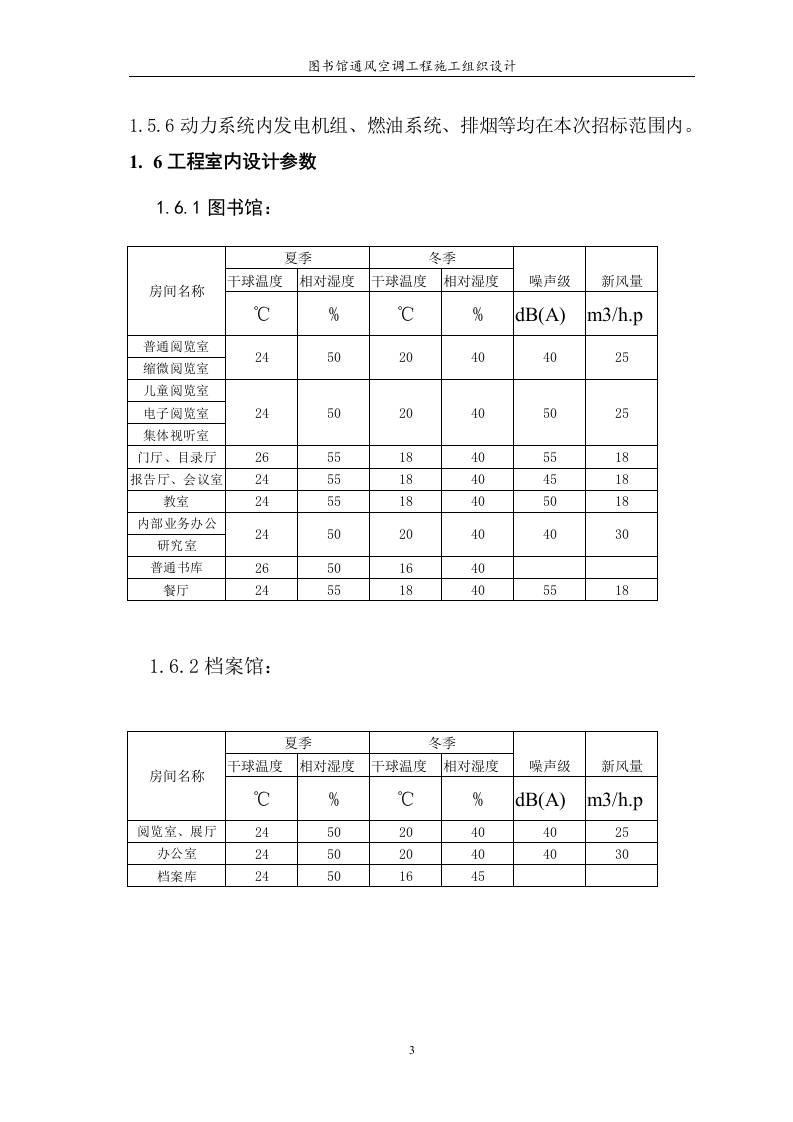
图书馆通风空调工程施工组织设计 Word(125页)
施工组织
施工组织设计
DOC
125页
下载0
2025-09-22
浏览74
收藏0
点赞0
评分-
10积分
温馨提示:当前文档最多只能预览 10 页,若文档总页数超出了 10 页,请下载原文档以浏览全部内容。
剩余115页未读,
下载浏览全部
收藏
已收藏
喜欢
已喜欢
文档描述
图书馆通风空调工程施工组织设计 Word(125页)
系统集成文库
这个人很懒,什么都没留下
个人认证
查看用户
该文档于
上传
推荐文档
通风与空调系统测定与调试方案 Word(8页)
通风系统施工组织方案 Word(9页)
通风空调设备安装施工组织设计 Word(12页)
图书馆通风空调工程施工组织设计 Word(125页)
邢台某商厦通风空调施工方案 PDF(17页)
最新文档
通风与空调系统测定与调试方案 Word(8页)
通风系统施工组织方案 Word(9页)
通风空调设备安装施工组织设计 Word(12页)
图书馆通风空调工程施工组织设计 Word(125页)
邢台某商厦通风空调施工方案 PDF(17页)
客服