添加到电脑桌面
添加到电脑桌面,以后点击桌面图标一键打开,无需搜索,非常快捷!
立即添加
普通会员
限时优惠
登录
首页
文档列表
专题
标签云
意见反馈
文库
智慧建设
城市生命线
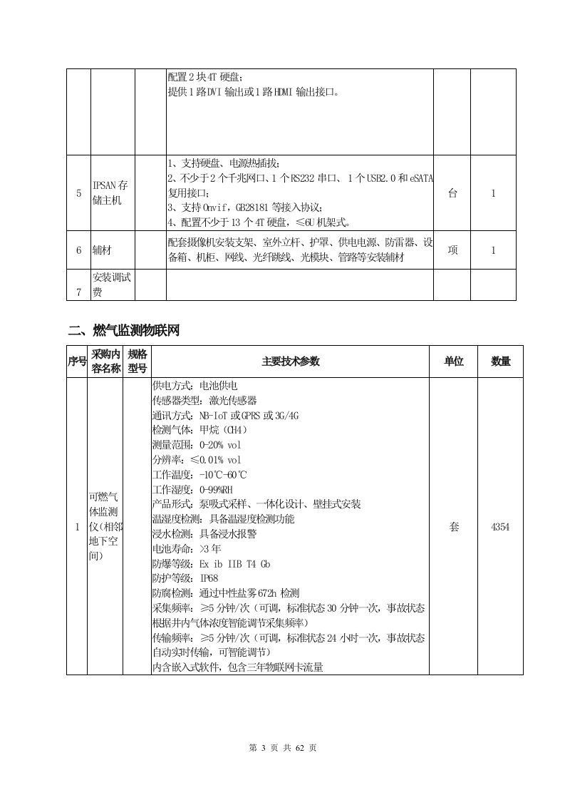
芜湖市城市生命线安全工程一期项目采购需求 Word(62页)
安全
DOCX
62页
下载0
2025-09-22
浏览37
收藏0
点赞0
评分-
1积分
温馨提示:当前文档最多只能预览 10 页,若文档总页数超出了 10 页,请下载原文档以浏览全部内容。
剩余52页未读,
下载浏览全部
收藏
已收藏
喜欢
已喜欢
文档描述
芜湖市城市生命线安全工程一期项目采购需求 Word(62页)
系统集成文库
这个人很懒,什么都没留下
个人认证
查看用户
该文档于
上传
推荐文档
新技术守护“城市生命线”方法 PPT(52页)
基于声浪的供水热力管线安全监测与分祈 PPT(23页)
资产数智化全面赋能 守好克拉玛依供水生命线 PPT(59页)
燃气智能管网监测控制管理系统建设方案 PPT(15页)
燃气安全监管综合管理平台整体解决方案 Word(98页)
省市级城市基础设施生命线安全工程监测平台需求规划设计书 Word(43页)
如皋市城市生命线安全工程招标文件
深圳市应急管理局城市安全风险综合监测预警平台(一期)项目招标文件
围绕城市更新行动,生命线安全工程建设,推动城市运行“一网统管” PPT(47页)
我国城市更新演进历程与最新趋势展望 PPT(74页)
最新文档
万宾·城市生命线雨污水管网水质监测技术适配性分析 Word(3页)
万宾·光谱法与电极法水质监测的合理性分析 Word(6页)
2024.07 贵州省城市基础设施生命线安全工程建设指南 PDF(78页)
2025年城市生命线安全工程风险评估和监测指南 Word(11页)
2025年城市生命线安全工程数字化监测平台初步设计规划方案 Word(238页)
成都市城市生命线工程建设-基于多种类风险辨识的城市桥梁安全监测探索实践 PPT(28页)
城市生命线安全工程架构思路参考 PDF(4页)
城市生命线安全风险评估及安全运行监测系统项目建设内容 Word(10页)
城市生命线安全工程边坡监测方案 Word(19页)
城市生命线安全工程风险评估及安全运行监测系统建设内容 Word(73页)
客服